Professional provider of Biomass Pellet Production Line and Biomass Pellet Machine, global service
Henan Neihuang Straw Pellet Production Line Project Case

Rongda Machinery professionally provides Chinese Henan Neihuang customers with 5-6T/hour straw pellet production line solutions. The project was launched on February 1, 2023, specifically designed for corn straw pellet production for greenhouse heating. Our equipment uses advanced processes to ensure pellet quality and improve production efficiency.
Project Basic Information
| Country | Date | Production Line Type | Capacity | Area |
|---|---|---|---|---|
| China | 2023/2/1 | Straw Pellet Production Line | 5-6T/hour (Annual: 12,000-14,400T) | 97m×29m×25m |
Raw Materials: Corn straw
Application: Greenhouse heating
Key Configuration: Includes packaging system; requires ≥580kVA transformer; custom solution
Production and Personnel Configuration
Shift System: Shift system, 8 hours per shift, 300 production days per year
Staffing: 8 people (after production)
Installation Information: Installation period of 20 days, requires 5 installation personnel
Core Equipment List
| Equipment Category | Equipment Name | Model | Capacity | Power Consumption |
|---|---|---|---|---|
| Core Equipment | Pellet Machine | RD-768MX | - | 250KW |
| Core Equipment | SKLN Cooling Machine | SKLB4 | - | 1.5KW |
| Core Equipment | Rotary Screen | SFJH130x1d | - | 5.5KW |
| Other Equipment | Packing Machine, Conveyor System, Electrical Control, Dust Collection | - | - | - |
Process Support

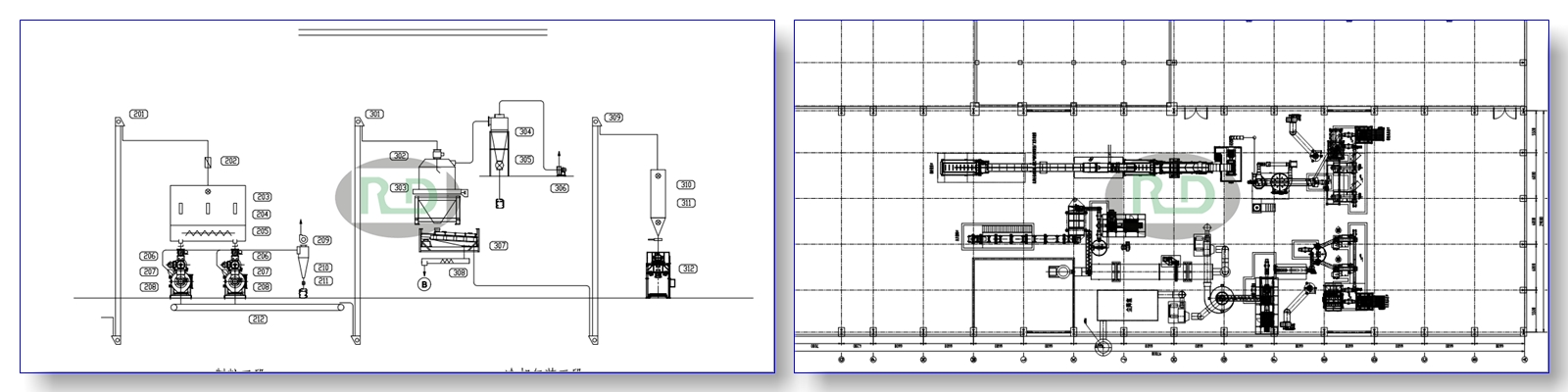
Provides production line design drawings (including flow charts, installation drawings, workshop layout drawings, steel structure drawings and material lists)
Shows the production line process flow chart to ensure visual production process
Key Points for Biomass Pellet Production Line Construction
- Raw material evaluation: Examine raw material quality, price, quantity and long-term supply stability, then plan production line configuration and analyze costs accordingly
- Factory location: Preferably located near raw material sources or convenient transportation areas, with both being optimal
- Energy configuration: Select matching transformer based on capacity and equipment power (pellet industry has high electricity consumption)
- Equipment procurement: It is recommended to prioritize examining equipment manufacturers' product quality; Rongda Machinery can provide equipment installation and commissioning guidance
- Installation and commissioning: Rongda Machinery will dispatch technical personnel to provide guidance, installation, commissioning, and operation training.
Service and After-sales Guarantee

Pre-sales Service
- Provide complete technical documents: Flow charts, installation drawings, operation manuals, steel structure drawings and material lists
- Support "Get Solution and Quote" requirement coordination
Installation and Training
- Dispatch 2 technical installation engineers for on-site installation and commissioning guidance
- After completion, provide operation training, equipment maintenance training for customer staff, and develop exclusive maintenance rules (including maintenance methods, timing, and responsible personnel)
After-sales Guarantee
- Regular follow-up: After-sales department regularly calls to understand equipment maintenance status and provide suggestions
- Warranty policy: Excluding consumable parts, provide 1-year free warranty
- Permanent support: Lifetime free technical support






Dust Collection